FMC 接口转 1 路 HDMI 输入,1 路 HDMI 输出的模块接口是标准的 HPC 接口,用于连接 FPGA 开发板

FMC 连接器
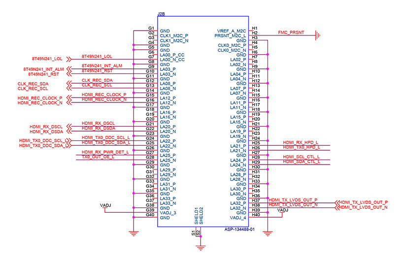
HPC 连接器
HDMI 视频输出接口
最高支持 4K@60Hz 输出
HDMI 视频输入接口
最高支持 4K@60Hz 输入,支持不同格式的数据输入



FMC HPC 接口




所有出售产品主体保修期为 12 个月,其中 FPGA 芯片、液晶屏为易损件,不在保修范围内。
所有配件及赠品不在保修范围内。
请您补充以下信息,开启一键下载。